Магазин запчастей для бытовой техники - Arlos
Москва
close
Выберите ваш регион
АбаканАлександровАльметьевскАнгарскАрзамасАрмавирАртемАрхангельскАстраханьАчинскБалаковоБалашихаБеларусьБелгородБердскБерезникиБийскБлаговещенскБратскБрянскВеликий НовгородВидноеВладивостокВладикавказВладимирВолгоградВолгодонскВолжскийВологдаВолховВоркутаВоронежВоскресенскВыборгГатчинаГеленджикГрозныйДедовскДербентДзержинскДзержинскийДимитровградДмитровДолгопрудныйДомодедовоДонецкЕвпаторияЕгорьевскЕкатеринбургЕлецЕссентукиЖелезногорскЖелезнодорожныйЖуковскийЗеленоградЗлатоустИвановоИвантеевкаИжевскИркутскИстраЙошкар-ОлаКазаньКалининградКалугаКаменск-УральскийКамышинКаспийскКемеровоКерчьКировКисловодскКлинКовровКоломнаКомсомольск-на-АмуреКопейскКоролёвКостромаКотельникиКрасногорскКраснодарКраснознаменскКрасноярскКурганКурскКызылЛенинск-КузнецкийЛипецкЛобняЛыткариноЛюберцыМагнитогорскМайкопМалаховкаМахачкалаМиассМоскваМурманскМуромМытищиНабережные ЧелныНазраньНальчикНаро-ФоминскНахабиноНаходкаНевинномысскНефтекамскНефтеюганскНижневартовскНижнекамскНижний НовгородНижний ТагилНовокузнецкНовокуйбышевскНовомосковскНовороссийскНовосибирскНовоуральскНовочебоксарскНовочеркасскНовошахтинскНовый УренгойНогинскНорильскНоябрьскОбнинскОдинцовоОктябрьскийОмскОрелОренбургОрехово-ЗуевоОрскПавловский ПосадПензаПервоуральскПермьПетрозаводскПетропавловск-КамчатскийПодольскПрокопьевскПсковПушкиноПятигорскРаменскоеРеутовРостов-на-ДонуРубцовскРыбинскРязаньСакиСалаватСамараСанкт-ПетербургСаранскСаратовСевастопольСеверодвинскСеверскСергиев ПосадСерпуховСимферопольСмоленскСосновый БорСочиСтавропольСтарый ОсколСтерлитамакСтупиноСургутСызраньСыктывкарТаганрогТамбовТверьТихвинТольяттиТомилиноТомскТроицкТулаТюменьУлан-УдэУльяновскУссурийскУсть-ИлимскУфаУхтаФеодосияФрязиноХабаровскХанты-МансийскХасавюртХимкиЧебоксарыЧелябинскЧереповецЧеркесскЧеховЧитаШахтыЩелковоЭлектростальЭлистаЭнгельсЮжно-СахалинскЯкутскЯлтаЯрославль
  • - бесплатно по РФ
    Автоперезвон. Работает по принципу: Вы позвонили на номер, мы сбрасываем звонок и перезваниваем через 3 секунды.
  • - по Москве
  • 8 (925) 663-83-63

Call-центр

пн-вс: 10:00-19:00

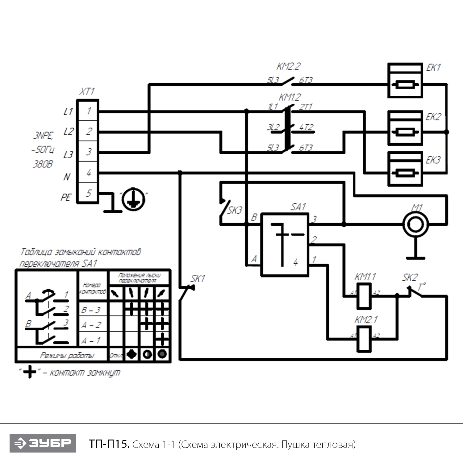
Тепловая пушка, ТП-П ТП-П15

Данная модель имеет несколько схем

NАртикулНазваниеСрок отгрузкиЦенаКупить
1 N000-029-547 Короб
2 N000-029-548 Экран
3 N000-029-549 Кожух
4 N000-029-550 Опора правая 466 р.
5 N000-029-551 Опора левая 466 р.
10 N000-029-552 Кронштейн
11 N000-029-553 Крышка 396 р.
12 N000-029-554 Гребенка 78 р.
13 N000-029-555 Скоба
14 N000-029-556 Кольцо
15 N000-029-557 Стенка
30 V000-001-044 Двигатель YJF 34-00 120W V000-001-044 для тепловых пушек ТП-П15, ЗТП-15 6.480 р.
31 N000-029-558 Крыльчатка D300 655 р.
32 N000-030-717 Контактор CJX2-3210 3P+NO 220В 32А 2.108 р.
33 V000-004-108 ТЭН 220В 10/5.0 Т220 4.845 р.
33 V000-004-108-2 ТЭН 230В 4900Вт 3.264 р.
34 N000-029-583-2 Термостат KSD301-110-95 нормально замкнутый с кнопкой сброса 169 р.
34 N000-029-583 Термостат КSD-301 250В 10А 110°C с кнопкой сброса НЗ 190 р.
35 N000-019-676 Термостат 50°С нормально разомкнутый (код 33041/D) 208 р.
35 N000-014-907 Термостат ТК-24-00-1 250В 16А 110град нормально замкнутый 170 р.
36 V000-006-946 Термостат капиллярный FY-AC-TC-40 2.400 р.
37 V000-003-470 Переключатель роторный FY-SR-KX-2 16А (5 контактов) 398 р.
40 N000-029-541 Ручка переключателя 237 р.
41 N000-024-267 Ручка 180 р.
42 N000-029-566 Кнопка сброса для термостата 156 р.
43 N000-029-546 Втулка резиновая кабельная
45 N000-029-542 Саморез 3.5х9.5
46 N000-018-626 Винт M4x10
47 N000-029-569 Ручка-фиксатор М8х15
48 N000-023-867 Винт M8х15
49 N000-027-532 Шайба D8
50 N000-022-354 Винт M4x25
51 N000-029-543 Гайка-заклепка М4
52 N000-027-457 Гайка М4
53 N000-027-453 Шайба D4
54 N000-027-482 Шайба пружинная D4
55 N000-022-572 Винт M4x16
56 N000-029-545 Хомут-стяжка 2,5-3 L-100мм
57 N000-029-572 Решетка 1.141 р.
58 N000-029-573 Заклепка вытяжная D3
59 N000-041-313 Провод ремонтный с коннекторами L160*2 ПВКВ 4мм² 325 р.
60 N000-041-314 Провод ремонтный с коннекторами L190 ПВКВ 4мм² 218 р.
Найдено товаров: 42
1
▲ Наверх
0
8 (925) 663-83-63

Call-центр

пн-вс: 10:00-19:00

НАЙТИ ПО МОДЕЛИ
Введите номер заказа
Введите номер своего заказа, что бы узнать его текущий статус.
Что бы получить доступ к расширенным функциям, пройдите не сложную регистрацию. Зарегистрироваться