Магазин запчастей для бытовой техники - Arlos
Москва
close
Выберите ваш регион
АбаканАлександровАльметьевскАнгарскАрзамасАрмавирАртемАрхангельскАстраханьАчинскБалаковоБалашихаБеларусьБелгородБердскБерезникиБийскБлаговещенскБратскБрянскВеликий НовгородВидноеВладивостокВладикавказВладимирВолгоградВолгодонскВолжскийВологдаВолховВоркутаВоронежВоскресенскВыборгГатчинаГеленджикГрозныйДедовскДербентДзержинскДзержинскийДимитровградДмитровДолгопрудныйДомодедовоДонецкЕвпаторияЕгорьевскЕкатеринбургЕлецЕссентукиЖелезногорскЖелезнодорожныйЖуковскийЗеленоградЗлатоустИвановоИвантеевкаИжевскИркутскИстраЙошкар-ОлаКазаньКалининградКалугаКаменск-УральскийКамышинКаспийскКемеровоКерчьКировКисловодскКлинКовровКоломнаКомсомольск-на-АмуреКопейскКоролёвКостромаКотельникиКрасногорскКраснодарКраснознаменскКрасноярскКурганКурскКызылЛенинск-КузнецкийЛипецкЛобняЛыткариноЛюберцыМагнитогорскМайкопМалаховкаМахачкалаМиассМоскваМурманскМуромМытищиНабережные ЧелныНазраньНальчикНаро-ФоминскНахабиноНаходкаНевинномысскНефтекамскНефтеюганскНижневартовскНижнекамскНижний НовгородНижний ТагилНовокузнецкНовокуйбышевскНовомосковскНовороссийскНовосибирскНовоуральскНовочебоксарскНовочеркасскНовошахтинскНовый УренгойНогинскНорильскНоябрьскОбнинскОдинцовоОктябрьскийОмскОрелОренбургОрехово-ЗуевоОрскПавловский ПосадПензаПервоуральскПермьПетрозаводскПетропавловск-КамчатскийПодольскПрокопьевскПсковПушкиноПятигорскРаменскоеРеутовРостов-на-ДонуРубцовскРыбинскРязаньСакиСалаватСамараСанкт-ПетербургСаранскСаратовСевастопольСеверодвинскСеверскСергиев ПосадСерпуховСимферопольСмоленскСосновый БорСочиСтавропольСтарый ОсколСтерлитамакСтупиноСургутСызраньСыктывкарТаганрогТамбовТверьТихвинТольяттиТомилиноТомскТроицкТулаТюменьУлан-УдэУльяновскУссурийскУсть-ИлимскУфаУхтаФеодосияФрязиноХабаровскХанты-МансийскХасавюртХимкиЧебоксарыЧелябинскЧереповецЧеркесскЧеховЧитаШахтыЩелковоЭлектростальЭлистаЭнгельсЮжно-СахалинскЯкутскЯлтаЯрославль
  • - бесплатно по РФ
    Автоперезвон. Работает по принципу: Вы позвонили на номер, мы сбрасываем звонок и перезваниваем через 3 секунды.
  • - по Москве
  • 8 (925) 663-83-63

Call-центр

пн-вс: 10:00-19:00

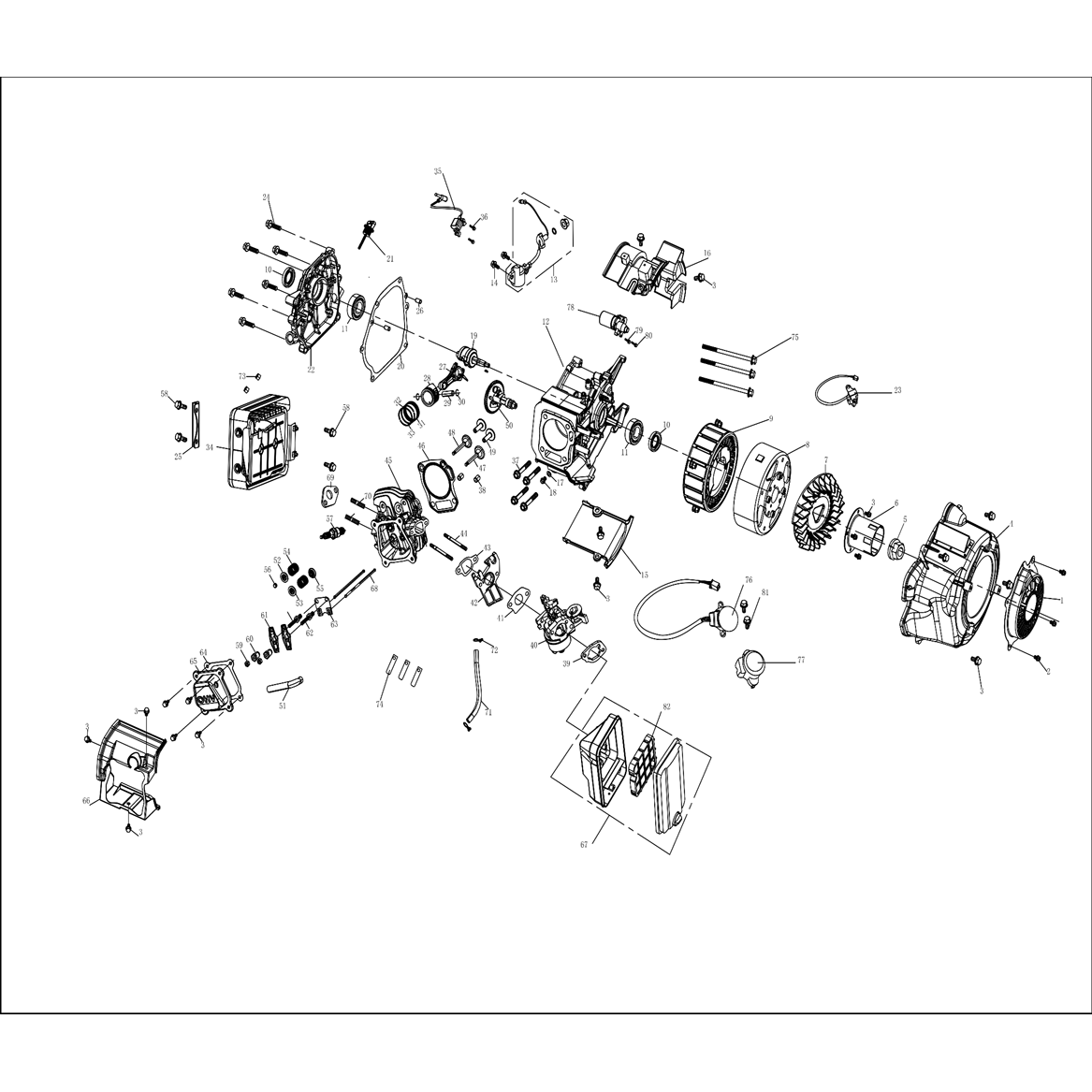
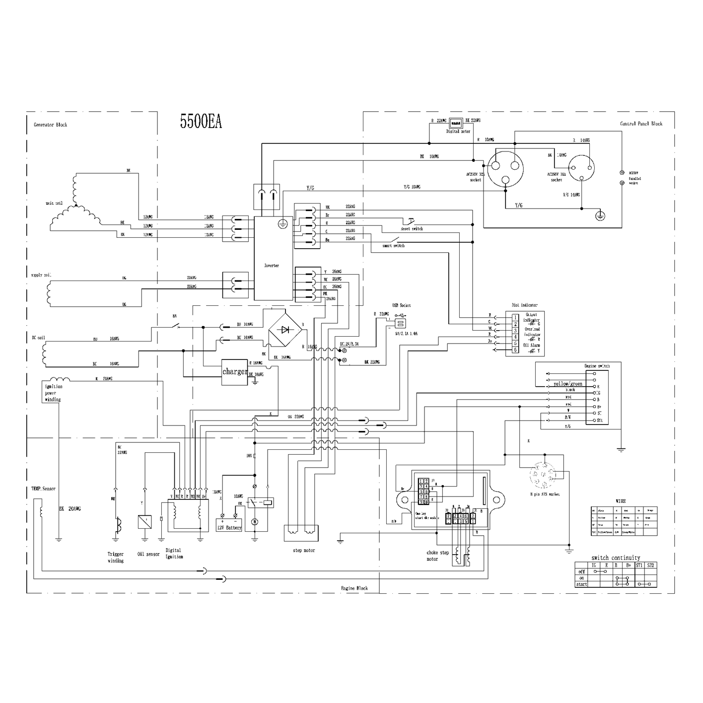
Инверторный генератор СБИ-5500ЕА

Данная модель имеет несколько схем

NАртикулНазваниеСрок отгрузкиЦенаКупить
1.01 N000-041-187 Датчик топлива поплавковый.
1.02 N000-041-161 Бак топливный.
1.03 N000-041-166 Крышка топливного бака
1.04 N000-041-164 Фильтр топливный
1.09 N000-041-160 Виброгаситель
1.10 N000-041-167 Штуцер
1.11 N000-041-014 Рама
1.12 N000-041-208 Пластина монтажная двигателя правая
1.13 N000-041-197 Батарея аккумуляторная
1.14 N000-041-199 Площадка монтажная батареи
1.16 N000-041-207 Пластина монтажная двигателя левая
1.17 N000-041-168 Амортизаторы
1.19 N000-041-165 Кран топливный
1.20 N000-041-212 Рукоятка топливного крана
1.22 N000-041-156 Трубка топливная
1.24 N000-041-170 Ножка резиновая
1.25 N000-041-175 Панель передняя
1.26 N000-041-018 Панель приборная
1.27 N000-041-179 Выход USB
1.28 N000-041-177 Индикатор состояния питания
1.29 N000-032-882 Розетка (220В/32А)
1.32 N000-032-881 Розетка 220В/16А 383 р.
1.33 N000-041-180 Порты параллельного соединения
1.34 N000-041-186 Вольтметр цифровой/счетчик моточасов
1.35 N000-041-181 Выход 12 вольт
1.36 N000-041-173 ЭКО-переключатель
1.37 N000-041-178 Разъем АВР
1.38 N000-041-182 Кнопка сброса
1.39 N000-041-174 Выключатель главный
1.40 N000-041-011 ДВС в сборе
1.41 N000-041-202 Инвертор
1.42 N000-041-295 Пластина монтажная инвертора
2.01 N000-041-149 Стартер ручной в сборе
2.06 N000-041-145 Храповик
2.07 N000-041-143 Крыльчатка
2.08 N000-041-021 Ротор
2.09 N000-041-025 Статор
2.10 N000-041-153 Сальник D41.25xd27x6
2.11 U009-620-500 Подшипник шариковый 6205 (52х25х15) 744 р.
2.12 N000-041-033 Картер
2.13 N000-041-184 Датчик уровня масла поплавковый
2.15 N000-041-141 Кожух нижний
2.16 N000-041-139 Кожух
2.17 N000-041-030 Прокладка болта слива масла
2.19 N000-041-086 Вал коленчатый
2.20 N000-041-028 Прокладка картера
2.21 N000-041-107 Щуп масляный
2.22 N000-041-035 Крышка картера
2.23 N000-041-188 Реле датчика масла
2.25 N000-041-131 Крепление глушителя
2.27 N000-041-072 Шатун
2.28 N000-041-075 Поршень
2.29 N000-041-078 Палец поршневой
2.30 N000-041-080 Кольцо стопорное поршня
2.31 N000-041-083 Кольца поршневые комплект (31-33)
2.34 N000-041-134 Глушитель
2.35 N000-041-192 Магнето
2.39 N000-041-120 Прокладка воздушного фильтра
2.40 N000-041-116 Карбюратор
2.41 N000-041-110 Прокладка карбюратора
2.42 N000-041-113 Теплозащита карбюратора
2.43 N000-041-122 Прокладка впуска
2.45 N000-041-066 ГБЦ
2.46 N000-041-063 Прокладка ГБЦ
2.47 N000-041-056 Клапан впускной
2.48 N000-041-060 Клапан выпускной
2.49 N000-041-093 Толкатель клапана
2.50 N000-041-097 Распредвал
2.51 N000-041-126 Патрубок
2.52 N000-041-052 Седло клапанной пружины
2.54 N000-041-046 Пружина клапана
2.55 N000-041-043 Колпачек маслосьемный
2.57 N000-001-726-2 Свеча зажигания F7TC для газонокосилок 383 р.
2.61 N000-041-101 Коромысло
2.64 N000-041-040 Прокладка клапанной крышки
2.65 N000-041-069 Клапанная крышка
2.66 N000-041-137 Кожух
2.67 N000-041-127 Фильтр воздушный в сборе
2.68 N000-041-090 Штанга
2.69 N000-041-130 Прокладка глушителя
2.76 N000-041-206 Двигатель шаговый
2.78 N000-041-195 Стартер электрический
2.82 N000-041-006 Элемент фильтрующий
Найдено товаров: 83
1
▲ Наверх
0
8 (925) 663-83-63

Call-центр

пн-вс: 10:00-19:00

НАЙТИ ПО МОДЕЛИ
Введите номер заказа
Введите номер своего заказа, что бы узнать его текущий статус.
Что бы получить доступ к расширенным функциям, пройдите не сложную регистрацию. Зарегистрироваться